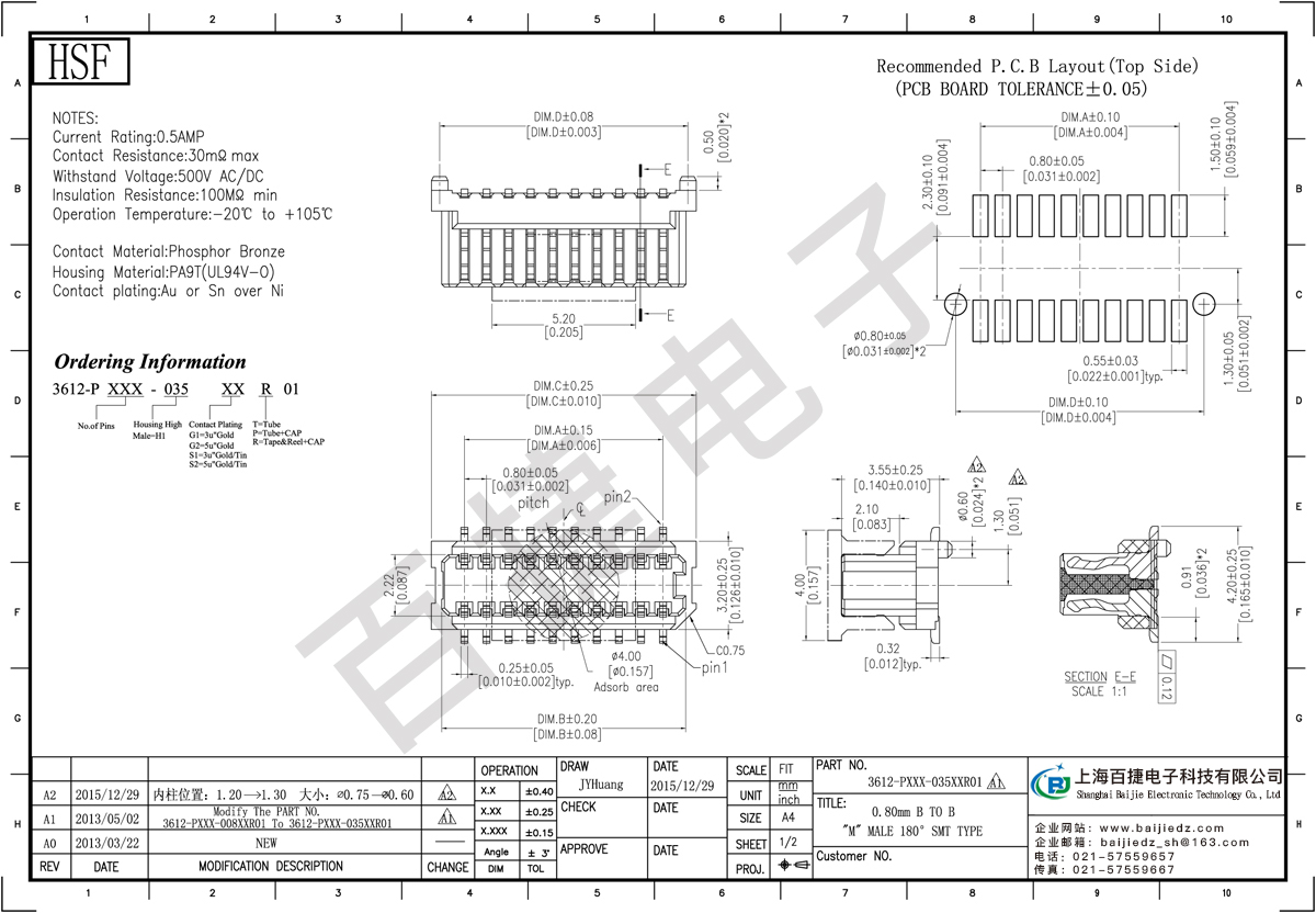
0.8MM 公座 单槽结构 Board To Board
产品分类:Board To Board 连接器
产品型号:0.8MM 公座 单槽结构 Board To Board
技术参数:额定电流:0.5amp电流电阻:20mΩ最大绝缘电阻:100mΩ承受电压:AC 500V /分钟工作温度:20﹣℃+ 105℃接触材料:磷青铜接触电镀:对镍金绝缘体材料:聚酯(UL94V-0)标准:PA9T或PPS + 30% GF
产品用料:产品材料采用德国及日本进口塑胶原材料,保证产品质量的可靠性,稳定性。
生产设备:本公司引进台湾、日本进口注塑设备每每6~7秒钟开模一次、冲床冲速可达1300次/每分钟。
产品品质:严格按照汽车及高端电子行业品质管理体系的要求管控生产管理的每一个环节。
服务客户:产品设计、开发、模具生产一体化,为每一位客户提供一条龙式服务,解决您的后顾之忧。
